| 
   Buzdugan I.D.,
  Mogan Gh.L. Proiectarea roboților ficși. Universitatea Transilvania din Brașov   | 
 
| 
   Anexa.R.3.1 Aspecte
  generale privind reductoarele armonice   | 
 
| 
   Structură și funcționare Funcțional, transmisiile
  armonice se pot considera ca derivând din transmisiile planetare (fig.1, a)
  cu roata centrală 2 (de obicei, fixă), arborii 1 și 5, satelitul 3 și roata
  centrală mobilă 4. Într-o altă variantă, transmiterea mișcării între
  satelitul 3 și arborele 5 se poate face prin intermediul cuplajului flexibil
  6 (fig.1,b). Prin introducerea rolei 7 în interiorul satelitului 3, cu
  posibilitate de rotire reciprocă (fig.1,c), nu se produc modificări din punct
  de vedere cinematic privind celelalte elemente. Mărind diametrul rolei 7,
  satelitul 3 devine un inel flexibil, care realizat corp comun cu tubul 6
  conduce la elementul flexibil 8 (fig.1,d). Deoarece raportul de transmitere
  al sistemului obținut depinde numai de numerele de dinți ale elementelor 2 și
  8, pentru mărirea acestuia, păstrând gabaritul radial, se mărește
  circumferința elementului flexibil 8 (fig.1,e), care va fi în angrenare cu
  roata 2, consecință a deformațiilor sub formă de unde, generate de rotirea
  rolei 7 (de unde vine denumirea de angrenaje/transmisii armonice).  
                              a                         b                                c                                d                               e  Fig.
  1 Scheme funcțional-constructive ale reductorelor planetare și
  armonice:  a  transmisie
  planetară elementară;    b
   transmisie planetară cu cuplaj flexibil; c  transmisie
  planetară cu cuplaj flexibil și rolă; c  transmisie
  planetară cu element flexibil; d  transmisie planetară
  armonică  Funcționare: https://www.youtube.com/watch?v=F0t0l6nRV24;  https://www.youtube.com/watch?v=UvJl6HyQqF8;
  https://www.youtube.com/watch?v=1sxGfAiR6b8;  https://www.youtube.com/watch?v=F0t0l6nRV24
  ;  Utilizare: https://www.youtube.com/watch?v=f_FJDt3aAdU;
  https://www.youtube.com/shorts/1qCIfvzjIuM
   Similar, procedurii
  prezentate mai sus, din transmisia planetară cu două roți centrale și satelit
  dublu (fig.2,a) se obține transmisia armonică cu element flexibil dublu
  (fig.2,b).  
 Fig.
  2 Scheme funcționale ale reductoarelor planetare și armonice
  cu două danturi: a  cu satelit dublu; b  cu
  element flexibil dublu Ca și transmisiile
  planetare care au unul, doi sau trei sateliți dispuși echiunghiular
  transmisiile armonice pot avea deformatoare cu un braț (fig.3,a), duble
  (fig.3,b) sau triple (fig.3,c),  
 Fig.
  3 Tipurile deformatoarelor transmisiilor armonice cu deormator: a
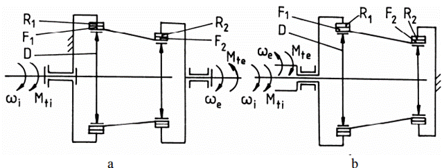
   cu un braț; b  dublu; c  triplu Sintetic, structura unei
  transmisii armonice este compusă din trei părți principale: deformatorul D,
  elementul flexibil F (cu una sau două danturi) și unul sau două elemente
  rigide R sau, respectiv R1 și R2. De asemenea, prin
  analogie cu transmisiile planetare care pot funcționa cu roata centrală fixă
  sau mobilă, și transmisiile armonice sunt cu element rigid imobil (elementul
  flexibil mobil) sau mobil (element flexibil imobil). Aceste situații de
  funcționare sunt prezentate schematic în fig. 4 și 5, folosind notațiile
  simbolice introduse mai sus pentru angrenajele armonice.  
 Fig.
  4 Schemele de funcționare ale transmisiilor cu o dantură cu elementul
  rigid (R): a  fix; b  rotitor;  
 Fig.
  5 Schemele de funcționare ale transmisiilor cu două danturi cu elemente
  rigide: a  R1, fix; b  R2,
  fix;  Funcțiile de transmitere
  a mișcării și momentului de torsiune, în aceste situații, au formele: 
 ωi,e și Mi,e sunt
  vitezele unghiulare, respectiv momentele de torsiune la intrare și ieșire și  
 pentru schema din fig. 4,a, 
 pentru schema din fig. 4,b, 
 pentru schema din fig. 5,a, 
 pentru schema din fig. 5,b. Geometria angrenajelor armonice Înainte de montarea
  deformatorului elementele danturate (rigid și flexibil) sunt roți circulare
  concentrice, care din punct de vedere al suprapunerii danturilor în zona de
  acțiune a deformatorului, pot fi în două situații posibile de angrenare:
  dinte/gol (aF/aR)  dinte/gol (bF/bR),
  fig.6,a, sau dinte/gol(aF/aR)gol/dinte(bF/bR),
  fig.6,b.  
 Fig.
  6 Situații posibile la montaj 
   Pentru realizarea
  condițiilor de angrenare dintre danturile elementelor flexibil și rigid, ca
  urmare a montării deformatorului, este necesară corelarea numerelor de dinți
  ai celor două danturi. Condițiile ca după deformarea elementului flexibil
  dinții acestuia să intre în golurile danturii elementului rigid și, deci, ca
  perechile de puncte aF, aR și bF, bR
  (fig.6,c,d) dispuse pe aceeași linie radială înainte de montarea
  deformatorului, să se suprapună după montarea acestuia: 
 Acestea, scrise în formă sintetică devin 
 pentru cazul în care axele brațelor
  deformatorului coincid cu axe ale dinților elementului flexibil și 
 pentru cazul în care axa unui braț al
  deformatorului coincide cu axa unui dinte al elementului flexibil și axa
  celuilalt braț coincide cu axa unui gol al danturii deformatorului. În
  relațiile de mai sus s-au utilizat notațiile: k - numărul brațelor deformatorului;
  m - modulul danturilor; A, B, A', B' - numere întregi.  Prin prelucrarea relațiillor de mai sus, se
  obține 
 unde N este număr natural . Din relațiile raportului
  de transmitere de mai sus, rezultă că acesta are valori maxime când diferența
  zR  zF este minimă. Această situație se întâmplă
  când  N = 1 și, în consecință,
  diferența numerelor de dinți ai danturilor elementelor rigid și flexibil este
  egală cu numărul brațelor deformatorului k. Deoarece, din considerente de
  gabarit și portanță, angrenajele armonice au danturi cu numere de dinți mari
  (de obicei, z > 150) și dinți cu înălțime mică (de obicei, m ≤ 1
  mm), profilul flancurilor, din considerente tehnologice, se consideră
  evolventic, executabil cu scule standard care au unghiul profilului de
  generare α = 20o (uneori 30o), coeficientul
  capului dintelui de referință  Transmisiile armonice
  sunt sisteme mecanice, care ca și în cazul transmisiilor planetare, se
  întâlnesc frecvent ca transmisii de tip reductor, caracterizate de viteze
  unghiulare la ieșire mult mai mici decât cele de la intrare și momente de
  torsiune la ieșire mult mai mari decât cel de la intrare, utilizabile în
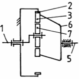
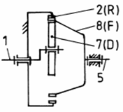
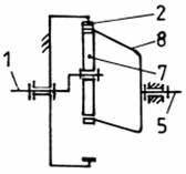
  transmisiile roboților industriali. Construcția reductoarelor armonice În fig. 7,a se prezintă
  secțiunea axială printr-un reductor armonic cu element flexibil cu o dantură.
  Transmiterea momentului de torsiune de la arborele de intrare 1, rezemat pe
  rulmenți radiali cu bile 2, se face prin pana paralelă 3, la cuplajul Oldham
  (compensator de abateri radiale) compus din semicuplajul 4, elementul
  intermediar 6 și semicuplajul eliptic 5 pe care este fixat rulmentul cu
  flexibilitate radială 7. Rotirea forțată a deformatorului obligă rotirea în
  sens invers a elementului flexibil 9, prin angrenarea cu dantura elementului
  rigid fixat la carcasa 11. Mișcarea și momentul de torsiune se transmit, în
  continuare, prin asamblarea flanșă-flanșă cu șurubururi montate cu joc, la
  arborele de ieșire 10, rezemat și fixat axial de rulmenții 12.  În fig. 7.21,b se prezintă o vedere în
  perspectivă a deformatorului eliptic, elementului flexibil și coroanei
  dințate. Pentru rapoarte de transmitere mai mari se pot utiliza reductoare
  armonice cu element flexibil cu două danturi.  
 a 
 b  Fig.
  7 Reductor armonic cu element flexibil cu o dantură: a 
  cu carcasă în secțiune; b  fără carcasă în vedere
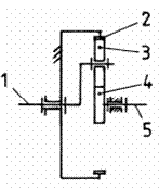
  axonometrică În multe alpicații practice,
  inclusiv în construcția roboților industriali, din considerente de gabarit și
  de adaptabilitate la configurația subansamblelor adiacente, carcasele se
  execută cu forme și dimensiuni specifice, achiziționânduse numai coroana
  dințată, elementul flexibil și subansamblul deformator (fig. 7.23 pentru
  reductorul cu element flexibil simplu de tip HDUC și fig. 8 pentru reductorul
  cu element flexibil dublu de tip HDUC. În Anexa PR.1 se
  prezintă dimensiunile și caracteristicile acestor reductoare. 
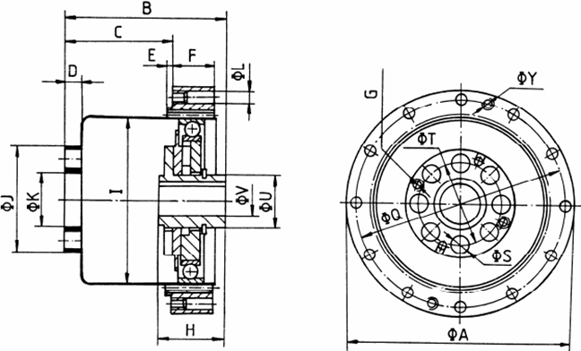
 Fig.
  8 Reductoare armonice de tip HDUC Forme și cauze ale
  scoaterii din uz a reductoarelor armonice.
  Subansamblul compus din elementul flexibil, deformator și elementul rigid
  formează o structură mecanică complexă, executabilă cu procedee tehnologice
  laborioase, în întreprinderi specializate. Scoaterea din uz a reductorelor
  armonice se produce datorită deteriorării angrenajului prin pitting sau
  uzare, a elementului flexibil prin rupere la oboseală și a inelelor
  rulmentului flexibil ale deformatorului, de asemenea, prin rupere la oboseală
  sau pitting. Pentru evitarea acestor deteriorări, producătorii de reductoare
  armonice, la proiectare, fac calcule laborioase pentru dimensionarea din
  condițiile de evitare a tuturor formelor de cedare, adoptă soluții
  constructive adecvate și fac recomandări de întreținere și exploatare
  minuțioase. Regimul termic și
  ungerea reductoarelor armonice.  Forțele de frecare care
  apar în interiorul reductorului armonic, în timpul funcționării, determină
  dezvoltarea de căldură care are ca efect încălzirea elementelor transmisiei
  și a lubrifiantului. Creșterea temperaturii lubrifiantului determină scăderea
  vâscozității și implicit diminuarea calităților de ungere ale acestuia, care
  în final conduce la frecări mărite. Cantitatea de căldură degajată în
  unitatea de timp, ca rezultat al frecării interne, dacă se admite că
  pierderea de putere în funcționarea reductorului se transformă integral în
  căldură, în regim staționar, este egală cu cantitatea de căldură evacuată
  prin pereții carcasei conform relației. 
 în care Pi
  este puterea de intrare în reductor în kW; η  randamentul transmisiei;
  k - coeficientul de transmitere al căldurii, în W/m2 oC; Ti 
  temperatura carcasei reductorului; To  temperatura mediului
  ambiant; S - suprafața exterioară de răcire. Din această relație, considerând
  k = 8
12 în cazul lipsei ventilației sau k = 14
18 în cazul unei ventilații
  forțate, se poate determina temperatura uleiului Ti, care pentru funcționarea
  corespunzătoare nu trebuie să depășească (60 
70) oC . Pentru reductoare
  armonice se recomandă pentru ungere uleiuri minerale (TIN 50 EP, TIN 70 EP,
  TIN 110 EP) sau unsoare consistentă. În poziție orizontală a axei
  reductorului, nivelul uleiului trebuie să atingă centrul celei mai de jos
  bile a rulmentului flexibil. În cazul poziției verticale a axei reductorului
  se poate folosi un sistem mixt de ungere, cu unsoare consistentă și ulei.
  Pentru turații mai mici de 1000 rot/min, se recomandă umplerea completă a
  reductorului cu ulei     |