Buzdugan I.D., Mogan Gh.L. Proiectarea roboților ficși. Universitatea Transilvania din Brašov

 

Anexa.PR.1 Reductoare armonice

 

Reductoare armonice de tip HDUC

Tipuri și parametri funcționali

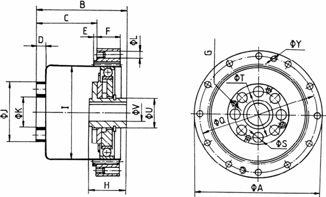
Dimensiuni reductoare armonice HDUC

 

 

Alte variante constructive 

https://www.harmonicdrive.net/_hd/content/documents1/FBB_DifferentialGear.pdf

 

https://harmonicdrive.de/fileadmin/Downloads/Produkte/Kataloge/Harmonic_Drive_Gears_EN_1053522.pdf

 

https://www.sango-automation.com/Content/upload/PDF/202128763/Catalogue-of-Strain-Wave-Gears-Sango-Automation.pdf?rnd=768

 

https://ultrarobotics.pl/wp-content/uploads/2022/02/hd_product_world_en_1040114_05_2019.pdf