AAB-T.2.1
ASAMBLĂRI CU STÂNGERE PROPRIE (PRESATE)
|
CUPRINS |
|
AAB-T.2.1.1 DEFINIRE AAB-T.2.1.2 STRUCTURA CONSTRUCTIVĂ AAB-T.2.1.3
DOMENII DE UTILIZARE, AVANTAJE ȘI DEZAVANTAJE AAB-T.2.1.4 CLASIFICARE AAB-T.2.1.5 MATERIALE ȘI TEHNOLOGII AAB-T.2.1.6 FORME ȘI CAUZE DE SCOATERE DIN UZ SAU DE
COMPORTARE NECORESPUNZĂTORE AAB-T.2.1.7 PARAMETRII FUNCȚIONALI ȘI CONSTRUCTIVI AAB-T.2.1.8 MODELE DE CALCUL
AAB-T.2.1.8.1 Modele de calcul a încărcărilor
AAB-T.2.1.8.2
Model de calcul a strângerilor (deformațiilor) radiale elastice necesare
AAB-T.2.1.8.3
Model de calcul de rezistență a asamblărilor cu strângere proprie presate sau
fretate
AAB-T.2.1.8.4
Model de calcul la deformații a asamblărilor cu strângere proprie presate sau
fretate
AAB-T.2.1.8.5
Model de calcul termic a asamblărilor cilindrice cu strângere proprie fretate AAB-T.2.1.9 MONTAJUL ȘI EXPLOATAREA |
AAB-T.2.1.1
DEFINIRE
Asamblarea prin strângere proprie
(presată) este legătura de tip arbore-butuc, nedemontabilă
sau, rareori, demontabilă, care transmite sarcinile prin frecarea care ia
naștere pe suprafața de contact dintre arbore și butuc sub acțiunea presiunilor
de contact care apar după montaj datorită strângerii reciproce generată de
deformațiile elastice (fig. AAB-T.2.1.1.1).
AAB-T.2.1.2 STRUCTURA CONSTRUCTIVĂ
|
|
|
|
a |
b |
|
Fig. AAB-T.2.1.2.1 Asamblări
cu strângere proprie directe (fără elemente intermediare): a nedemontabilă (pentru elemente
din materiale diferite, ex. coroană melcată pe butuc); b demontabilă (pentru
solidarizarea unor elemente și/sau subansamble diferite) |
|
AAB-T.2.1.3 DOMENII DE UTILIZARE, AVANTAJE ȘI
DEZAVANTAJE
Domenii principale de utilizare:
montare volanți, bucșe de lăgăruire în carcase;
bandaje montate pe roți de vehicule de cale ferată; arbori cotiți asamblați
prin presare; îmbinarea unor elemente ale zalelor de lanț; asamblarea
coroanelor dințate pe corpul roții; asamblarea rulmenților pe fusurile
arborilor.
Tab.
ACA-T.3.1 Avantaje și dezavantaje ale asamblărilor prin strângere proprie
|
Avantaje* |
Dezavantaje* |
|
-
capacitate de transmitere
a sarcinilor mari; -
comportare bună
la sarcini variabile; - centrare bună a pieselor asamblate; -
fac posibilă
execuția pieselor din mai multe părți în scopul economisirii materialelor scumpe
și/sau deficitare sau pentru ușurarea tehnologiei de fabricație |
-
precizia de
execuție ridicată
a elementelor active, impusă de condițiile de funcționare și de montaj; -
deteriorarea
suprafețelor funcționale, la demontări și montări repetate; -
necesitatea
sortării pieselor pentru asigurarea riguroasă a strângerilor impuse |
AAB-T.2.1.4 CLASIFICARE
Tab.
AAB-T.2.1.4.1 Clasificarea asamblărilor prin
strângere proprie [Horovitz, 1969; Jula, 1986;
Rădulescu, 1981]
|
Criteriul |
Tipul asamblării |
|
Soluția constructivă |
Fără elemente de strângere |
|
Cu elemente de strângere |
|
|
Posibilitatea de demontare |
Demontabile |
|
Nedemontabile |
|
|
Tehnologia de asamblare |
Presate (introducerea
forțată axial a arborelui în butuc, de obicei, la temperatura mediului
ambiant) |
|
Fretate (încălzirea
butucului sau/și răcirea arborelui în scopul obținerii de strângeri mai mari
decât în cazul celor presate la rece) |
|
|
Obs. Caracterul demontabil sau nedemontabil este
determinat de mărimea strângerii și de tehnologia de montaj folosită |
|
AAB-T.2.1.5 MATERIALE ȘI TEHNOLOGII
În
cazul asamblărilor cu strângere proprie pe suprafețe cilindrice, presate
sau fretate, nu există un element intermediar între elementele asamblate
(arbore și butuc), pentru calcul se iau în considerare materialele celor două
elemente.
Operația
de presare la rece sau la cald se
execută cu prese manuale (strângeri mici) sau hidraulice (strângeri mari);
pentru micșorarea forței axiale de presare se pot unge suprafețele de contact
(capacitatea de transmitere a sarcinii scade).
Operația
de fretare presupune încălzirea
butucului (la flacără deschisă, în cuptor sau în baie de ulei), de obicei, sub
600oC sau/și răcirea arborelui (în oxigen lichid sau bioxid de
carbon) în scopul micșorării sau chiar reducerii la valoare nulă a forței
axiale de montaj
Tab.
AAB-T.2.1.6.1 Forme și cauze de scoatere din uz sau de comportare
necorespunzătoare
|
Forme |
Consecințe |
Apariție |
Cauze |
Manifestare |
Evitare |
|
Deteriorarea
suprafeței de contact a arborelui sau butucului (deformare
plastică) |
Blocarea
asamblării și împiedicarea demontării |
La
arborii și butucii din materiale moi puternic încărcate |
Depășirea tensiunilor de strivire ale materialelor |
Deteriorarea suprafețelor active
de contact ale arborelui și/sau butucului
|
Limitarea prin calcul a tensiunilor de strivire la valori
admisibile |
|
Deformații
elastice radiale mărite |
Micșorarea
jocurilor din elementele adiacente (rulmenți,
lagăre cu alunecare) |
La
asamblările elementelor de rezemare |
Depășirea deformațiilor radiale admisibile |
Comprimarea arborelui și/sau extensia radială a butucului |
Limitarea prin calcul a deformațiilor radiale |
AAB-T.2.1.7 PARAMETRI FUNCȚIONALI ȘI
CONSTRUCTIVI
AAB-T.2.1.8 MODELE DE CALCUL
AAB-T.2.1.8.1 Modele de calcul a
încărcărilor
Tab. AAB-T.2.1.8.1.1 Situații de
încărcare și condițiile asociate de transmitere a sarcinilor prin frecare
|
Cazul |
Tipul sarcinilor |
Schema de încărcare |
Condiția de transmitere a sarcinii prin frecare |
Cazul |
Tipul sarcinilor |
Schema de încărcare (v. Obs. 1) |
Condiții de transmitere a sarcinii prin frecare și
formă (v. Obs. 1) |
|
1 |
Forță
axială |
|
sau
|
4 |
Moment
de încovoiere și forță axială |
|
Mî sau max( |
|
2 |
Moment
de torsiune |
|
Mt ≤ ” πdl pnec
sau pnec ≥
|
5 |
Moment
de încovoiere și moment de torsiune |
|
Mî sau
max(
|
|
3 |
Forță
axială și moment de torsiune |
|
sau
|
6 |
Moment
de încovoiere, forță axială și moment de torsiune |
|
Mî sau
max(
|
|
Obs. |
a. În cazurile 1, 2 și 3, datorită încărcărilor axiale,
distribuția presiunilor pe suprafața de contact este uniformă; transmiterea
sarcinilor externe se face integral prin frecare. b. În cazurile 3,4,5, datorită încărcării cu momentul
de încovoiere, distribuția presiunilor pe suprafața de contact este
neuniformă, cu presiunea medie pnec
Mî = (pmin+
pmax)/2 Pentru calcul se poate considera
cazul limită pmin
=0 (pnec
Mî = pmax/2),
când acțiunea momentului de încovoiere în plan diametral se echivalează cu un
cuplu prin relația, Mî = N x = dl pnec
Mî x =
dl pnec Mî l/3 = dl pmax/2
l/3 = dl2 pmax l/6,
în care s-a considerat x=l/3 și, considerând distribuția presiunii în plan
frontal constantă, forța N = dl pnec
Mî.
Deoarece, în aceste cazuri transmiterea momentului de torsiune se face
prin formă și sarcinile axiale prin frecare condițiile de transmitere a
sarcinilor axiale sunt independente și, în consecință, pentru calcul se
impune adoptarea valorilor maxime corespunzătoare celor două situații
(cazurile 1,2 și 3 sunt situații particulare ale cazurilor 4, 5 și respectiv
6 pentru care se consideră, Mi = 0). |
||||||
AAB-T.2.1.8.2 Model de calcul a strângerilor
(deformațiilor) radiale elastice necesare
|
|
Ipoteze
de calcul: -
materialele
arborelui și butucului se deformează în domeniul elastic; -
presiunea de
contact pe suprafața comună se consideră constantă, uniform distribuită; -
sarcinile exterioare
se transmit prin forțele de frecare care apar pe suprafețele de contact
datorită strângerii Calculul
strângerilor Strângerea teoretică
necesară (conform teoriei elasticității
tuburilor groase, relația lui Lame):
în
care: p [MPa] reprezintă presiunea dintre suprafețele în contact, p = pnec; d
[mm] diametrul suprafeței de contact; da și db
diametrele inițiale ale arborelui și, respectiv butucului; Δa și Δb
deformația radială a arborelui (lărgire) și respectiv, butucului (contracțe); Ea
[MPa]
și Eb
[MPa]
- modulele de elasticitate ale
materialelor arborelui și, respectiv, butucului; arborelui și, respectiv,
butucului; ka
și kb -coeficienți
definiți de relațiile:
în care, νa
și νb reprezintă coeficienții contracției
transversale (Poisson) Strângerea corectată
necesară, ia în
considerare condițiile reale de
execuție și de montaj, conform relației, Sc = S + Sn+ St în care: Sn reprezintă
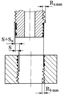
corecția datorită microneregularităților de
prelucrare ale suprafețelor care vin în contact conform expresiei, Sn = 1,2 (Ra max + Rb
max) [μm], cu Ra,b max înălțimile maxime ale neregularităților,
existente, inițial, pe suprafața arborelui, respectiv a butucului (v. fer.
ASP-P.1); St corecția
efectului dilatațiilor termice ale pieselor asamblate în funcționare, conform
relației St = [αb (tb t0)-
αa
(ta t0)] d .103
[μm], unde αa,b
sunt coeficienții de dilatație termică ai materialului arborelui,
respectiv, butucului; t0 temperatura mediului ambiant la care s-a
realizat montarea; ta,b temperaturile de funcționare a arborelui, respectiv, butucului, în oC. Forțele axiale necesare pentru presare sau la depresare, se determină cu relațiile,
Fpr = ”1 πdl p sau, respectiv, Fdpr = ”2 πdl p,
în care, ”1 reprezintă coeficientul de frecare la presare; ”2 - coeficientul de frecare la depresare (”2 > ”1); pentru micșorarea forței de presare se poate unge cu ulei suprafețele de contact.
Obs. Pentru
calcule de proiectare se poate
considera p = pnec, corespunzător schemei de încărcare (subcap. AAB-T.2.1.8.1) |
|
a |
|
|
|
|
|
b |
|
|
Fig. AAB-T.2.1.8.1.2.1 Scheme de
calcul a deformațiilor: a
parametri geometrici; b - influența neregularităților
suprafețelor asupra strângerii [Roloff,
2008] |
AAB-T.2.1.8.3 Model de calcul de
rezistență a asamblărilor cu strângere proprie presate sau fretate [Jula, 1986;
Rădulescu, 1981; Catrina, 2009]
|
Fig. AAB-T.2.1.8.1.3.1 Schema de
calcul a tensiunilor
|
Ipoteze
simplificatoare:
-
tensiunile
din piesele asamblate determinate
de presiunile de contact se calculează pe baza relațiilor stabilite în
studiul tuburilor cu pereți groși în domeniul elastic; -
în arbore și
butuc apar tensiuni radiale, σR, cu
valori nule la interiorul arborelui și exteriorul butucului și tensiuni
tangențiale, σT, de tracțiune în butuc și de compresiune în
arbore; -
pentru ca
piesele asamblate să nu se deformeze plastic se impune conform teoriei
tensiunilor tangențiale îndeplinirea
condiției,
Condițiile de evitare a deformațiilor plastice (asigurare a strângerii
elastice), pentru arbore și butuc se
determină cu relațiile,
și respectiv,
în care, σTa,b și σRa,b
sunt tensiunile tangențiale și, respectiv, radiale din arbore și, respectiv,
butuc; τ02 a,b și σ02 a,b limitele de
curgere ale materialelor arborelui, respectiv butucului (în cazul materiale
casante, de ex. fonta) se iau în considerare limitele de rupere τr și σr). Valorile maxime
(critice, admise la limită) pe care le pot atinge presiunile de contact, la limitele de curgere ale materialelor arborelui
și butucului (σ02a și respectiv, σ02b), se
pot stabili din relațiile (AAB-T.2.1.8.3.2
și AAB-T.2.1.8.3.3):
|
AAB-T.2.1.8.4 Model de calcul la
deformații a asamblărilor cu strângere proprie presate sau fretate [Jula, 1986;
Rădulescu, 1981; Catrina, 2009]
Ipoteze
simplificatoare:
-
materialele
arborelui și butucului se deformează în domeniul elastic;
-
presiunea de
contact pe suprafața comună se consideră constantă;
-
deformațiile
elastice diametrale Δd1,2 ale pieselor (arbore și butuc)
asamblate la nivelul diametrelor d1,2 se calculează
din relația lui Hooke,
și
.
(AAB-T.2.1.8.4.1)
Condițiile de evitare a deplasărilor
radiale limită
Deplasările elastice
diametrale , conform relației lui
Hooke din teoria elasticității, de
micșorare a diametrului arborelui d1 și de mărire a diametrului
butucului d2 sunt:
[μm]
și, respectiv,
[μm]
(AAB-T.2.1.8.4.2)
AAB-T.2.1.8.5 Model de calcul termic a
asamblărilor cilindrice cu strângere proprie fretate [Jula, 1986;
Rădulescu, 1981; Catrina, 2009]
Obs. În cazul asamblării fretate din ecuațiile
de dilatare termică în direcție diametrală a arborelui sau butucului,
și respectiv,
(AAB-T.2.1.8.1.5.1)
se obțin temperaturile de
răcire a arborelui sau de încălzire a butucului,
[oC] și/sau respectiv,
[oC]
(AAB-T.2.1.8.5.2)
unde, t0 [oC] este temperatura mediului ambiant de montaj; Smax [μm] strângerea maximă de realizat conform ajustajului adoptat; αa,b [1/ oC] coeficienții de dilatare termică unidirecțională ai materialelor arborelui, respectiv butucului; jm [μm] jocul suplimentar de montaj necesar pentru ușurința montajului.
AAB-T.2.1.9 MONTAJUL ȘI EXPLOATAREA
