AAB-P ASAMBLĂRI ARBORE-BUTUC

AAB-P.1 ASAMBLARI PRIN FORMĂ

AAB-P.1.3 PROIECTAREA ASAMBLĂRILOR PRIN CANELURI

 

CUPRINS

AAB-P.1.3.1 DATE DE PROIECTARE

AAB-P.1.3.2 ALEGEREA MATERIALULUI, TRATAMENTELOR TERMICE ŞI TEHNOLOGIEI

AAB-P.1.3.3 ALEGEREA FORMEI CANELURII ŞI A DIMENSIUNILOR SECŢIUNII TRANSVERSALE

AAB-P.1.3.4 DIMENSIONARE ŞI VERIFICARE

AAB-P.1.3.5 PROIECTAREA FORMEI TEHNOLOGICE

AAB-P.1.3.6 VERIFICAREA MODELULUI CU PACHETUL PERFORMANT MDESIGN 

 

 

Parcurgerea metodologiei de mai jos pentru cazuri concrete se va face cu memorarea temporară a valorilor principalilor parametri de proiectare în lista ACA-L.1.1 (se activează cu tasta Ctrl apăsată).

 

AAB-P.1.3.1 DATE DE PROIECTARE

 

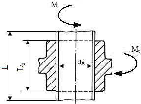
Tab. AAB-P.1.3.1.1 Definirea problemei de proiectare a unei asamblări prin caneluri

Schema funcţional-constructivă

Date iniţiale

a.       Momentul de torsiune, Mt [Nmm]

b.       Tipul sarcinii: constantă, pulsatorie sau alternantă cu şocuri

c.        Diametrul tronsonului arborelui, dA [mm]; se preia de la proiectarea arborelui şi/sau butucului sau se determină prin predimensinare din solicitarea de torsiune, conform  fer. ACA-C.1.1

d.       Lăţimea butucului, Lb (opţional)

e.        Tipul asamblării: fixă sau mobilă

f.         Materiale: arbore şi butuc

g.       Condiţii de funcţionare: tipul maşinii motoare, tipul instalaţiei antrenate, temperatura, caracteristicile mediului în care funcționează)

h.      Condiţii ecologice (utilizarea de materiale şi tehnologii eco, reciclarea materialelor, protecţia vieţii)

 

 

AAB-P.1.3.2 ALEGEREA MATERIALULUI, TRATAMENTELOR TERMICE ŞI TEHNOLOGIEI (subcap. AAB-T.1.3.5)

 

Arborii şi butucii canelaţi, în majoritatea cazurilor practice, sunt executaţi din oţeluri carbon de îmbunătăţire cu rezistenţa la rupere σr = 1000 MPa, care au caracteristicile de rezistenţă specifice calculului asamblărilor prin caneluri prezentate în fer. fer. ACA-M.1.

Canelurile din arbore se execută prin frezare şi, eventual, rectificare şi, respectiv cele din butuc prin mortezare sau broşare.

 

Tab. AAB-P.1.3.2.1 Date despre materialele arborelui şi butucului (fer. ACA-M.1)

Material arbore/butuc

Tehnologie

Caracteristica sarcinii

Tensiune admisibilă la strivire sau presiunea admisibilă

Marca, conform STAS

Succesiune tehnologică

Constantă, pulsatorie sau alternantă cu şocuri

sas sau pa [MPa]

 

AAB-P.1.3.3 ALEGEREA FORMEI CANELURII ŞI A DIMENSIUNILOR SECŢIUNII TRANSVERSALE (subcap. AAB-T.1.3.7)

 

Scop: adoptarea formei canelurii şi a dimensiunilor secţiunii transversale, necesare pentru calcul şi întocmirea desenului de ansamblu al sistemului în care se integrează.

Dimensiunile canelurilor din arbore şi butuc se adoptă în funcţie de valoarea diametrului tronsonului arborelui pe care se montează, dA, din STAS 1768, 1769, 1770 (fer. ACA-P.1.1).

 

Tab. AAB-P.1.3.2.2 Formele şi dimensiunile secţiunilor transversale prin asamblare [Jula, 1986; Rădulescu, 1981]

Tipurile canelurilor dreptunghiulare

Parametrii geometrici

 

 

Fig. ACA-P.1.3.1  Parametrii canelurii în plan transversal

Se adoptă tipul (fig. ACA-P.1.3.2), seria (fer. ACA-P.1.1) şi în funcţie de diametrul arborelui (v. subcap. ACA. P.1.1) parametrii canelurii în plan transversal (fer. ACA-P.1.2):

z – numărul de dinţi,

d – diametrul interior,

D – diametrul exterior,

c  - înălţimea teşiturilor

a

b

c

Fig. ACA-P.1.3.2  Caneluri dreptunghiulare: a – cu centrare la  exterior;  b – cu centrare la interior; c – cu centrare pe flancuri; c 

Obs. Datorită avantajelor privind  precizia şi tehnologicitatea, în practică se întâlnesc frecvent canelurile dreptunghiulare cu centrare interioară

 

AAB-P.1.3.4 DIMENSIONARE ŞI VERIFICARE

 

Tab. AAB-P.1.3.4.1 Calculul de dimensionare al asamblării prin caneluri dreptunghiulare [Jula, 1986; Rădulescu, 1981]

Calculul de dimensionare din condiţia de rezistenţă la strivire/neexpulzare a peliculei de lubrifiant  (subcap. AAB-T.1.3.8.1)

Date de intrare

Relaţia de calcul a lungimii necesare (de calcul)

Determinarea lungimii canelurii

Mt [Nmm] – momentul de torsiune transmis (tab. AAB-P.1.3.1.1);

Lb  [mm]  - lungimea butucului (opţional, v. (tab. AAB-P.1.3.1.1);

z – numărul de caneluri (tab. AAB-P.1.3.2.2);

d [mm]   - diametrul interior (tab. AAB-P.1.3.2.2);

D [mm]   - diametrul exterior (tab. AAB-P.1.3.2.2);

c [mm]   - înălţimea teşiturilor (tab. AAB-P.1.3.2.2);

σas [MPa] – tensiunea admisibilă de strivire sau pa [MPa]; – presiunea admisibilă de neexpulzare a lubrifiantului (fer. ACA-M.1)

    [mm]  (fer. ACA-C.1.2)

 

    

a. Lungimea butucului neimpusă, L  Lc.

b. Lungimea butucului impusă:

b.1 L = Lc, pentru Lc  Lb

b.2 pentru Lc > Lb se adoptă următoarea serie de dimensiuni a canalurii (fer. ACA-P.1.1) şi se reface calculul de dimensionare;

b.3 în cazul în care nici în urma adoptării canelurii din seria grea de dimensiuni nu se este îndeplinită condiţia, Lc > Lb, se analizează posibilitatea creşterii diametrului interior sau adoptarea altui tip de asamblare arbore-butuc

 

Tab. AAB-P.1.3.4.2 Calculul de verificare al canelurii dreptunghiulare

Calculul de verificare, pentru caneluri existente (subcap. AAB-T.1.3.8.1)

Date cunoscute

Relaţia de calcul  a tensiunii maxime de strivire

Condiţia de verificare

Mt [Nmm] – momentul de torsiune transmis (tab. AAB-P.1.3.1.1);

Lb  [mm]  - lungimea butucului (tab. AAB-P.1.3.1.1);

z – numărul de caneluri (tab. AAB-P.1.3.2.2);

d [mm]   - diametrul interior (tab. AAB-P.1.3.2.2);

D [mm]   - diametrul exterior (tab. AAB-P.1.3.2.2);

c [mm]   - înălţimea teşiturilor (tab. AAB-P.1.3.2.2);

σas [MPa] – tensiunea admisibilă de strivire  sau pa [MPa]; – presiunea admisibilă de neepulzare a lubrifiantului (fer. ACA-M.1)

   [MPa]        (fer. ACA-C.1.3)

 

 

 

 

AAB-P.1.3.5 PROIECTAREA FORMEI TEHNOLOGICE

 

Tab. AAB-P.1.3.5.1 Parametri tehnologici şi de reprezentare

 

 

Alegerea ajustajelor, Bb/Aa, Dd/Cc, Ff /Ee (valori recomandate, STAS 6565):

Parametrul

Tipul ajustajului

Fix

Mobil

Câmpul de toleranţă şi clasa de precizie

d

Arbore

Aa

js6

f7

g6

Butuc

Bb

H7

H7

H7

D

Arbore

Cc

js7, k7

k7

e9

f8, e8

h7

h9

Butuc

Dd

F8

D9

F10

D9,F10

F8

F10

 

Specificaţii pentru  execuţie înscrise pe desen:

a. Cote dimensionale şi toleranţe (fer. ACA-P.1.2): diametrul interior, d(Bb)/d(Aa); diametrul exterior,  D(Dd/D(Cc)); lăţimea canelurilor din butuc/arbore, b(Ff)/b(Ee); raza de racordare, r; înălţimea teşiturii, c.

b. Abaterile de poziţie de simetrie  ale canelurilor din arbore/butuc, Asa/Asb.

c. Rugozităţile  flancurilor canelurilor din arbore/butuc, Ra/Rb (uzual, Ra = 3,2/1,6, Rb = 3,2).

Notarea canelurilor  se face indicând succesiunea:

Arbore canelat 

z x d x D

numărul standardului

Butuc canelat 

z x d x D

numărul standardului

Ex. Arbore canelat  8x42x46 STAS 1768; Butuc canelat  8x42x46 STAS 1768 

a

b

Fig. AAB-P.1.3.5.1 Cotarea canelurilor: a – din  arbore; b – din butuc

 

 

AAB-P.1.3.6 VERIFICAREA MODELULUI CU PACHETUL PERFORMANT MDESIGN 

 

Verificarea modelului cu pachetul MDESIGN se face pe cazuri concrete, subcap. AAB-A.1.3.6, pentru calculul unei caneluri dreptunghiulare.