Buzdugan I.D., Mogan Gh.L. Proiectarea roboților. Universitatea Transilvania din Brașov

 

Subcap.TR.6.2 Alegerea cuplajului motor-șurub, subansamblul S2

 

Aspecte privind alegerea cuplajului

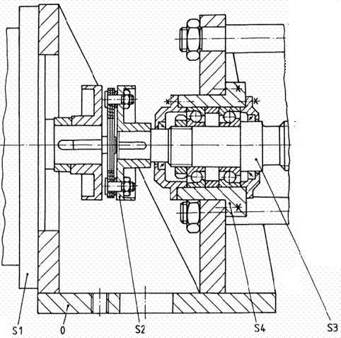
Pentru antrenarea șurubului din componența cuplei elicoidale cu rostogolire (S3) de către motor (S1) se impune alegerea unui cuplaj care se montează pe arborele motorului și tronsonul de cap al șurubului (fig. 1).

 

 

Fig. 1 Secvență constructivă a zonei cuplajului flexibil cu disc de antrenare a șurubului

 

Momentul de torsiune transmis de un cuplaj (fig.1) are la bază o funcție variabilă în timp (fig.2) determinată de condițiile reale de funcționare care, în general, se pot identifica prin următoarele perioade: a – șocul la pornire determinat de sarcinile inerțiale de demarare (accelerare); b - trecerea prin zona de rezonanță; c – funcționare continuă în regim staționar; d – șocul la oprire determinat de sarcinile inerțiale de decelerare.

 

Fig. 2 Variația momentului de torsiune transmis de cuplaj

 

Momentul de torsiune nominal, Mtn, reprezintă cel mai mare moment mediu care apare în regim staționar de funcționare continuă sau intermitentă.

Momentul de torsiune de calcul (alegere), Mtc, reprezintă momentul de torsiune teoretic pentru calcule de proiectare care ia în considerare și sarcinile suplimentare celei nominale: inerțiale, șocurile, forțele elastice datorate deformării forțate a elementelor componente ale cuplajului, forțele de frecare interne dintre elementele mobile componente ale cuplajului; aceste sarcini, dificil de evaluat cantitativ, se iau în considere în calcul prin intermediul unui coeficient de siguranță, Ks, care se determină pe baza datelor experimentale  ținând cont de tipul mașinii motoare, a cuplajului, de tipul și regimul de funcționare al mașinii antrenate. Relația de calcul a momentului de torsiune de calcul,

 

,                        

                                     

conține coeficientul, Ks > 1, dependent de cazurile concrete de funcționare; pentru transmisiile roboților se poate adopta, Ks = 1,3...1,6.

Obs. Pentru cazul roboților modulari, Mtn = Mm

 

Pentru transmisiile roboților se adoptă culaje flexibile (fig.3) și cu rigiditate torsională mărită, pentru a asigura montajul fără introducerea de forțe pasive în cazul abaterilor dre la coaxialitate a axelor arborilor legați (fig.3) și, respectiv, pentru a nu induce rotiri nederminate (generate de elasticități torsionale) pe fluxul principal de antrenare a cuplei.

 

 

Fig. 3 Abateri de la coaxialitatea arborilor legați de cuplajea - poziție de referințăb – axială (Δx); c – radială (Δr); d – unghiulară (Δα); e - combinată

 

Fig. 2 Variația momentului de torsiune transmis de cuplaj 

 

Linkuri

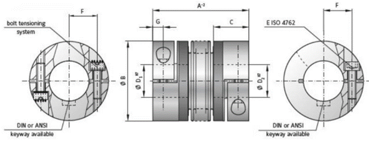
Cuplaje flexibile cu disc (discuri)

https://www.industry-plaza.com/flexible-coupling-with-mtd-lamellae-p159695.html

Cuplaje flexibile cu tub gofrate

https://www.industry-plaza.com/mbc-flexible-bellows-coupling-p159694.html

Cuplaje flexibile cu fante radiale (elicoidale)

https://us.misumi-ec.com/vona2/detail/221302477727/?HissuCode=BK2%2F15%2F59%2F14%2F16&srsltid=AfmBOorEuD8CG9lx_4ND4YjQV5FeP2giF-eb0EpJOiHCCrl4QOjHrIrn

 

https://www.industry-plaza.com/flexible-couplings-often-associated-wit-p48741788.html