| 
   Buzdugan I.D.,
  Mogan Gh.L. Proiectarea roboților. Universitatea Transilvania din Brașov  | 
 
| 
   Subcap.R.2.1 Schemă structurală funcțional-constructivă
  a modulului de rotație (R) cu reductor armonic  | 
 
| 
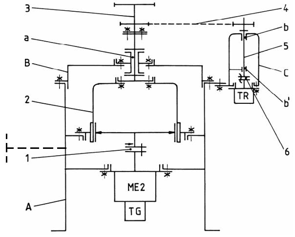
   În fig. 1 se prezintă o schemă structural-constructivă de ansamblu a unui modul de rotație (R) în care se prezintă, la nivel de simboluri, principalele elemente constructive active și pasive și soluțiiile de lăgăruire. 
 Fig. 1 Schema structural-constructivă a modulului de rotație cu reductor armonic Semnificații notații: ME2  servomotor electric, TG - tahogenerator, 1 - cuplajul radial, 2 - reductor armonic, susținute A  corp, a  lagăr radial, 3 - elementul de ieșire din reductorul armonic, TR  traductor incremental de rotație, 4  curea dințată, 5 arborele, b, b'  lagăre de rotație cu rulmenți 6 - cuplajul flexibil. La conceperea schemei structural-constructive și adoptarea elementelor constructive și subansamblelor, proiectantul trebuie să facă o analiză critică a mai multor variante posibile, avînd la bază mai multe soluții constructive existente, și informații calitative și cantitative despre diversele elemente constructive și subansamble specializate și/sau specifice, posibil a fi incluse  |