Buzdugan I.D., Mogan Gh.L. Proiectarea roboților. Universitatea Transilvania din Brașov

 

Subcap.TR.6.1 Aspecte generale privind cuplajele din componența roboților

 

Definire și clasificare

Cuplajele mecanice sunt subansamble distincte sau sisteme de elemente constructive care realizează legătura între două elemente ale unui lanț cinematic, în scopul transmiterii puterii, făra a se modifica parametrii acesteia (mișcarea de rotație și momentul de torsiune).

Pe lângă această funcție principală, cuplajele mecanice pot răspunde uneia sau mai multora din următoarele funcții secundare:

-        de compensare a abaterilor de poziție ale axelor elementelor constructive legate,

-        de protecție la vibrații și șocuri,

-        de comandă a mișcării și

-        limitări de sarcini, de turații sau de sens.

 

Cuplajele mecanice se întâlnesc într-o diversitate de forme constructive și din punctul de vedere al posibilității de întrerupere a transmiterii puterii pot fi cuplaje permanente, cu transmiterea continuă a puterii, sau cuplaje intermitente, cu posibilități de întrerupere a transmiterii acesteia.

La rândul lor cuplajele permanente se împart în cuplaje fixe, fără posibilități de compensare a abaterilor axelor elementelor pe care le leagă, sau cuplaje mobile, compensatoare a acestor abateri, prin intermediul unor elemente rigide în mișcare relativă (cuplaje axiale, radiale, unghiulare sau combinate) sau prin deformațiile unor elemente elastice (cuplaje elastice).

În funcție de modul de cuplare/decuplare, cuplajele intermitente se grupează în cuplaje comandate (mecanic, hidrostatic, pneumostatic sau electromagnetic) și cuplaje automate.

 

Pentru cerințele de precizie impuse de sistemele mecanice ale produselor mecatronice, cuplajele mecanice trebuie asigure rigiditate torsională mărită, pe de-o parte, și flexibilitate transversală mărită în plan frontal, pentru compensarea abaterilor geometrice ale axelor elementelor legate - prin inducerea de forțe micșorate în lagărele adiacente - pe de altă parte. Aceste cuplaje, de obicei, cu elemente elastice se comportă ca cele din grupa cuplajelor permanente mobile rigide combinate (axiale, radiale și unghiulare), care datorită particularităților de rigiditate torsională și flexibilitate transversală mărite se mai numesc și cuplaje flexibile.

 

Cuplaje pentru roboți

Cuplaje flexibile cu rigiditate torsională mărită

Aceste cuplaje elastice caracterizate de rigiditate torsională mărită, cu posibilități de compensare a abaterilor axiale, radiale și unghiulare, datorită flexibilității în plan transversal (frontal) a elementului elastic, sunt adecvate pentru subsistemele mecanice de antrenare a cuplelor roboților. În fig. 1 se prezintă soluția constructivă a cuplajului cu discuri flexibile care realizează transmiterea în paralel a fluxului de forță de la cele două bolțuri montate în locașurile semicuplajului conducător la alte două bolțuri solidarizate cu semicuplajul condus, prin intermediul unui unui pachet de discuri inelare. Rigiditatea torsională, precum și flexibilitatea transversală, sunt influențate de configurația discurilor (fig. 1, discuri circulare; fig. 2 și fig. 3, necirculare). Pentru mărirea flexibilității transversale, se pot adopta soluții constructive cu discuri neconcentrice, cu alezajele bolțurilor conducătoare și conduse poziționate pe cercuri diferite (fig. 2,a) sau cu element intermediar compus din sectoare (fig. 2,b).

 

Fig. 1 Cuplaj flexibil cu discuri

 

Fig. 2 Discuri flexibile necirculare

 

 

Fig. 3 Discuri flexibile neconcentrice și sectoriale

 

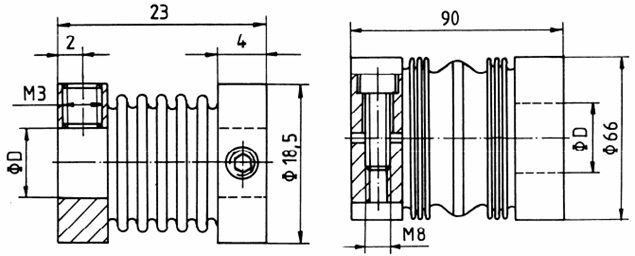
În fig. 4 se prezintă cuplaje flexibile cu tuburi gofrate care pentru fixarea pe arbori, utilizează șuruburi dispuse radial (fig. 4,a), în cazul momentelor de torsiune mici (cuplaje cinematice), sau șuruburi tangențiale (fig. 4,b), pentru momente de torsiune mai mari.

Fig. 4 Cuplaje flexibile cu tuburi gofrate

 

Specifice transmisiilor mecanice ale sistemelor mecatronice sunt și cuplajele flexibile monobloc cu fante radiale (fig. 5).   Pentru a se asigura cu precizie mărită legarea acestor cuplaje la arborii conducător și condus se pot folosi asamblări prin fricțiune cu strângere cu șurub tangential (fig. 5,a), la momente de torsiune mici, sau cu inele tronconice și șuruburi axiale (fig.5,b), la momente de torsiune mari.

 

 

Fig. 5 Cuplaje flexibile monobloc cu fante radiale

 

În cazul sistemelor mecanice ale produselor mecatronice când momentul de torsiune transmis de cuplaj este nesemnificativ, dar se impune precizie mărită (de exemplu, cuplarea traductoarelor de rotație), pentru transmiterea mișcării se utilizează cuplaje flexibile cinematice. În fig. 6 se prezintă două variante de cuplaje flexibile cu fante elicoidale. Aceste variante pot fi cu fixare pe arbore cu șuruburi radiale (fig.6,a) sau cu șuruburi tangențiale (fig. 6,b).

 

 

Fig. 6 Cuplaje flexibile monobloc cu fante radiale

 

Pentru protecția subansamblelor mecanice complexe la suprasarcini, se pot utiliza cuplaje de siguranță sau combinate. În fig. 7 se prezintă cuplajul combinat realizat de firma VMA-NC Meβ und Antriebstechnik GmbH, compus dintr-un cuplaj flexibil monobloc cu fante radiale, înseriat cu un cuplaj de siguranță cu bile, cu momentul de decuplare reglabil prin deformarea unui set de arcuri disc.

 

 

Fig 7 Cuplaj combinat (flexibil și de siguranță)

 

https://www.youtube.com/watch?v=HBNJmGF5SO0

 

Cuplaje intermitente

În vederea blocării lanțurilor cinematice reversibile de poziționare și de orientare ale roboților industriali se pot utiliza cuplajele intermitente cu fricțiune comandate electromagnetic, care funcționează în regim de frână. În fig. 8 se prezintă soluțiile constructive a două tipuri de frâne electromagnetice cu discuri de fricțiune, permanent deschise. Aceste frâne, cu pachete de câte două discuri, unul din oțel și altul, de asemenea, din din oțel dar cu strat sinterizat, funcționeză fără ungere, precum și în ulei. Varianta din fig.8,a are pachetul de discuri nestrăbătut de fluxul magnetic, spre deosebire de varianta din fig.8,b, cu discurile străbătute de fluxul magnetic.

a

b

Fig 8 Cuplaje intermitente (frâne) cu discuri de fricțiune comandate electromagnetic

 

Cuplaje radiale (Oldham)