| 
   Buzdugan I.D., Mogan
  Gh.L. Proiectarea roboților ficși. Universitatea Transilvania din Brașov   | 
 
| 
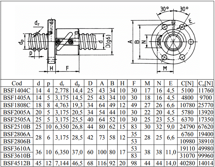
   Anexa.TP.1 Cuple
  elicoidale elicoidale cu rostogolire   | 
 
| 
   Cuplă elicoidală cu
  flanșă 
 Cuplă elicoidală cu legătură
  filetată 
 Cuplă elicoidală cu talpă 
  |