Buzdugan I.D., Mogan Gh.L. Proiectarea roboților ficși. Universitatea Transilvania din Brașov

 

Anexa.T.3.1 Aspecte generale despre cuplele elicoidale cu rostogolire

 

Descriere

Mecanismele șurub-piuliță (fig. 1,a) sunt utilizate în construcția sistemelor mecanice ale produselor mecatronice, în general, pentru transformarea mișcării de rotație în mișcare de translație. 

              

                                                                    a                                                       b

Fig. 1 Cupla elicoidală cu alunecare: a – schema funcțională; b – cupla elicoidală (filet) cu alunecare 

 

Semnificații notații: s(φ) și v(ω) - deplasarea și viteza axială rezultate la rotirea elementului antrenor cu unghiul φ și, respectiv, cu viteza unghiulară ω; φ(s), ω(v) – rotirea și viteza unghiulară obținute la deplasarea antrenorului pe distanța s și, respectiv, cu viteza de intrare; d2 - diametrul mediu al filetului (fig.1,b),   d1 - diametrul interior al filetului,  d - diametrul nominal al filetului,  Mt(F) = kf F – momentul de intrare dependent de forța rezistentă F;  kf = d2tg(β2 + φ')/2 pentru sensul de înșurubare și kf = d2tg(β2 - φ')/2 pentru cel de deșurubare, în care β2 = arctg(p/πd2), unghiul mediu al filetului și φ' = arctg(μ/cos(α/2)), unghiul de frecare redus (μ – coeficientul de frecare de alunecare din filet, α – unghiul profilului filetului).

 

Transformarea și transmiterea mișcărilor și, respectiv, forțelor având la bază proprietatea mișcării în cupla elicoidală cu pas constant, materializată de filet, se definesc cu relațiile:

 

 

Principalele dezavantaje ale mecanismelor șurub-piuliță cu filete cu frecare de alunecare (fig. 1,b) din sistemele mecanice ale produselor mecatronice constau în impreciziile cinematice - consecință a abaterilor de execuție, jocurilor inițiale și mai ales datorită uzurilor - și în consumul energetic intern mărit (η < 0,5 pentru funcționarea cu autofrânare). Diminuarea acestor dezavantaje se realizează prin micșorarea jocurilor și creșterea randamentului, prin folosirea cuplelor elicoidale cu frecare de rostogolire (fig. 2) (η > 0,8 pentru funcționarea cu autofrânare).

 

Fig. 2 Construcția cuplelor elicoidale cu rostogolire: a – recircularea prin fluxuri paralele; b,c – recircularea printr-un flux peste mai multe spire

 

Semnificații notații: 1 -  șurub cu una, două sau trei căi de rulare elicoidale; 2 - piulița, prevăzută cu o cale de rulare elicoidală la interior; 3 - corpurile de rostogolire  (de obicei, bile); 4 - subansamblul de recirculare a corpurilor de rostogolire.

De obicei, recircularea peste o spiră se realizează în interiorul cuplei prin intermediul unei piese cu unul sau două canale de ghidare adecvate. Recircularea peste mai multe spire se poate face prin corpul piuliței (fig. 2,c) sau prin exteriorul acestuia (fig. 2,b), soluțiile fiind aplicabile și în cazul șuruburulor cu mai multe începuturi.

 

Formele căilor de rulare, precum și soluțiile constructive ale cuplelor elicoidale cu rostogolire, în principal, se diferențiază în funcție de tipul corpurilor de rostogolire, care pot fi bile sau role cilindrice, butoi, conice (fig. 3,a) și profilate - filetate (fig.3,b) sau circulare (fig. 3,c). Transmisiile șurub-piuliță cu role au capacitatea portantă mărită de câteva ori față de cele cu bile și, în plus, o mai mare capacitate de amortizare, toate acestea la gabarite radiale și axiale mai mari și la randamente mai scăzute.

Fig. 3 Corpuri de rostogolire pentru cuple elicoidale

 

Transmisiile șurub-piuliță cu elemente de rulare bile devin din ce în ce mai utilizate în construcția sistemelor mecanice de produse mecatronice, deci inclusiv ale roboților industriali, datorită următoarelor avantaje:

-        constantă de transformare a mișcării mare, conducând la eliminarea transmisiilor reductoare preliminare între motor și cupla antrenată;

-        eliminarea totală a jocurilor prin pretensionare, care, în plus, conduce la rigidități și precizii ridicate;

-        pierderi prin frecare scăzute, randamentul poate avea valorile 0,8…0,95 spre deosebire de 0,2…0,4 în cazul tansmisiilor șurub-piuliță cu alunecare;

-        momente de frecare mici la pornire și în regim staționar;

-        mișcări cu uniformitate mărită deoarece forțele de frecare nu depind de viteză;

-        forțele de frecare pot fi ușor reglate prin modificarea valorii forței de preîncărcare;

-        structuri cu dimensiuni și mase relativ scăzute;

-        necesități mai scăzute de lubrifiere;

-        fiabilitate ridicată.

 

Pornid de la aceste avantaje, în continuare, se prezintă cu precădere transmisiile șurub-piuliță care au la bază cuplele elicoidale cu bile.

 

Gemetria internă cuplelor elicoidale cu rostogolire

 

 

Fig. 4 Geometria căilor de rulare: a,b –  cu bile; c – ogival; c – trapezoidale; d – semicircular și trapezoidal; f – dreptunghiulare

 

Semnificații notații: r - raza bilei, rs - raza profilului căii de rulare a șurubului, rp - raza profilului căii de rulare a piuliței, d0 – diametrul de dispunere a corpurilor de rostogolire, β - unghiul elicei la nivelul cilindrului de diametru d0 și α - unghiul direcției contactelor.

Cuplele elicoidale cu bile care au căile de rulare cu profile linii drepte, simplu de executat, au capacități portante mici și se folosesc cu precădere în transmisii cinematice.

Profilele în arc gotic (ogivale) au avantajul unor diferențe micșorate între razele de curbură ale suprafețelor în contact, conducând la creșterea capacității portante și rigidității, cu prețul costurilor de execuție mărite.

 

Reglarea jocurilor și pretensionarea cuplelor elicoidale

Datorită abaterilor de execuție, de montaj și funcționale, în cuplele elicoidale cu rostogolire pot apărea jocuri axiale și radiale, care în cursul exploatării, consecință a uzurilor, se măresc și conduc la funcționări imprecise și necorespunzătoare. De obicei, jocurile radiale sunt preluate de cupla de translație (ghidajul) atașată cuplei elicoidale. 

Jocurile axiale se preiau în interiorul cuplei, prin menținerea permanenței contactelor dintre corpurile de rulare, atât la mersul în gol cât și în sarcină, prin:

-        montarea cu strângere (pretensionare) a corpurilor de rostogolire între căile de rulare ale piuliței și șurubului pentru soluțiile din fig. 5 și 4,b,c.

-        realizarea de subansamble piuliță cu două seturi de corpuri de rostogolire pretensionate prin apropierea semipiulițelor, montaj în "X" (fig. 6,a și 7), sau prin îndepărtarea acestora, montaj în "O" (fig. 6,b și 7).

 

Fig. 5 Pretensionarea internă

 

Fig. 6 Sisteme de pretensionare externă: a – pretensionate prin apropierea semipiulițelor, montaj în "X";  b – pretensionate prin apropierea semipiulițelor, montaj în "O"   

 

Fig. 7 Pretensionarea externă prin rotire relativă a piulițelor

 

Reglarea în vederea preluării jocurilor, precum și pentru realizarea unei forțe de pretensionare impusă, poate fi permanentă sau periodică. Prima variantă presupune reglarea la montaj și de câte ori este nevoie, prin acționarea, de obicei, manual asupra dispozitivului de generare forță internă (fig. 5,b și 6). În cazul celei de-a doua variante, forța de pretensionare este generată prin reglaje exterioare (v. fig. 7).

 

Construcția cuplelor elicoidale cu rostogolire

Din punct de vedere constructiv, cuplele elicoidale se pot diferenția prin forma corpurilor de rostogolire, modul de realizare a pretensionării și forma exterioară, determinată cu precădere de modurile de legare a șurubului și piuliței la elemente adiacente. Soluțiile constructive interioare ale cuplelor elicoidale sunt diversificate în funcție de forma corpurilor de rostogolire (v. fig.3). În cazul structurilor mecanice ale sistemelor mecatronice se folosesc cu precădere cuple elicoidale cu bile (fig.2), sau uneori cu role filetate cu profil triunghiular (v. fig.3,d).

Pretensionarea cuplelor elicoidale cu rostogolire se poate face la montajul cuplei, ca urmare a realizării căii de rulare a piuliței cu două zone marginale cu pasul p, separate de o zonă cu pasul mărit p+Δp (fig.5), sau prin reglarea intermitentă sau automată a poziției axiale a două piulițe ale subansamblului cuplei elicoidale (v. fig. 7).

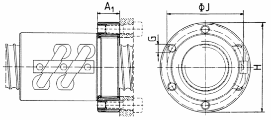
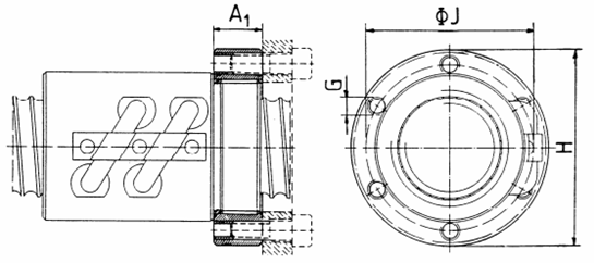
Forma exterioară a piuliței este determinată de modalitatea transmiterii forței la elementele constructive adiacente. În fig. 8 se prezintă o soluție constructivă de legare a cuplei elicoidale prin intermediul unei flanșe fixată, prin șuruburi montate cu joc.

Fig. 8 Soluții constructive de legare a piulițelor

 

În Anexa.PT.1 se prezintă caracteristicile tehnice și dimensiunile exterioare ale unor subansamble de cuple elicoidale cu rostogolire realizate de firmele THK și SKF

 

Ungerea și protecția cuplelor elicoidale

 În general, pentru ungerea cuplelor elicoidale cu rostogolire se recomandă uleiuri cu vâscozitate ridicată la viteze mici, sarcini mărite și/sau temperaturi ridicate. Pe de altă parte, se pot utiliza uleiuri cu vîscozitate scăzută cînd exploatarea se face la temperaturi scăzute și nu apar variații mari de temperatură. Pentru protecția căilor de rulare și a corpurilor de rostogolire împotriva pătrunderii impurităților, se folosesc sisteme de etanșare - cu garnitură (fig.9,a) sau cu perie (fig. 9,b) - sau de etanșare și protecție, telescopice sau cu burduf (fig.9,c).

Fig. 9 Protecția cuplelor elicoidale cu rostogolire