Buzdugan I.D., Mogan Gh.L. Proiectarea roboților ficși. Universitatea Transilvania din Brașov

 

Anexa.PR.2 Rulmenți pentru cuple de rotație  

 

Rulmenți radial-axiali cu role cilindrice încrucișate

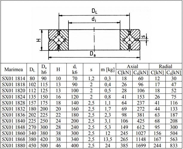
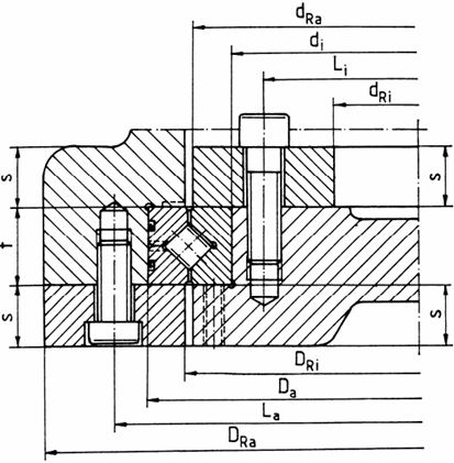
În fig. 1 se prezintă o vriantă construtivă de tip INA, cu valorile dimensiunilor principalelor elemente constructive adiacente menționate în tab. 1. Rulmentul din tab. 2 are inelul exterior "rupt" în plan radial și pentru reglarea jocului în vederea apropierii celor două inele în limitele permise de producător se folsesc asamblări cu șuruburi.

Fig.1  Subansamblu cuplă de rotație cu rulment cu contact în patru puncte

 

Tab. 1

 

Tab. 2

                                              

 

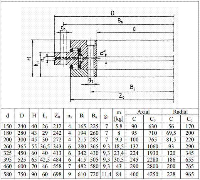
Rulment radial-axiali cu două rânduri de bile/role

Pentru lăgăruirea cuplelor de rotație ale modulelor de bază ale roboților industriali în care apar forțe radiale mari și, în plus, se impun dimensiuni radiale mărite, se pot folosi lagăre cu rulmenți radial-axiali cu două rânduri de bile (fig. 2 și tab. 3) sau de role cilindrice, reglabili (tab. 4).

Fig. 2 Subansamblul unui rulment radial-axial cu două rânduri de bile

 

 Tab. 3

 

Tab. 4